WHLEARN
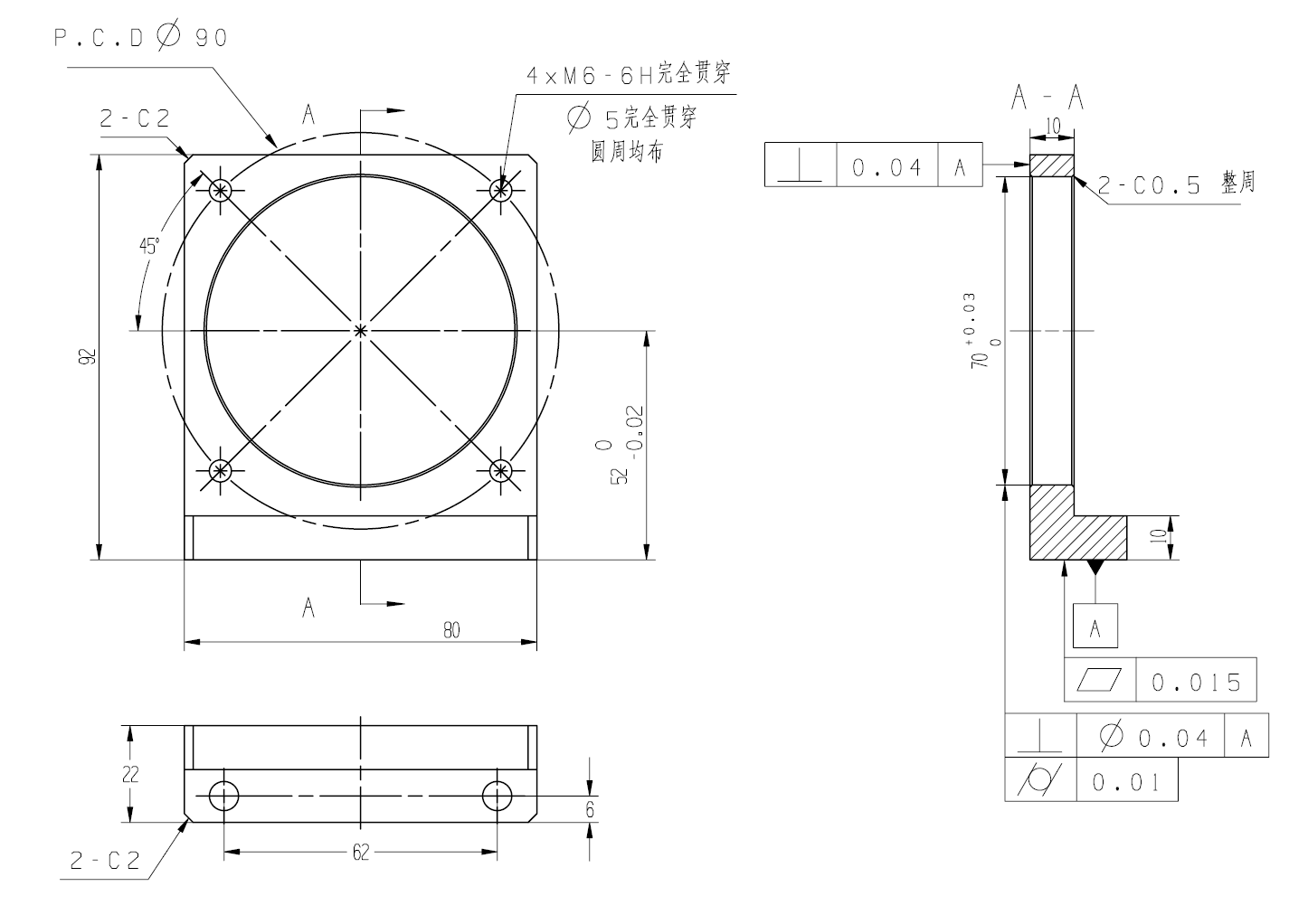
垂直度 >
平面度 >
垂直度+平面度 >
垂直度
垂直度+平面度
铝件
案例1
图纸:
铁件